開關電源基礎:工作原理和電路圖
時間: 20-07-29 14:41 瀏覽次數:242
本文開關電源工作原理是開關電源工程師全力整理的原理分析,以豐富的開關電源案例分析,介紹單端正激式開關電源、自激式開關電源、推挽式開關電源、降壓式開關電源、升壓式開關電源和反轉式開關電源。
隨著全球對能源問題的重視,電子產品的耗能問題將愈來愈突出,如何降低其待機功耗,提高供電效率成為一個急待解決的問題。傳統的線性穩壓電源雖然電路結構簡單、工作可靠,但它存在著效率低(只有40%~50%)、體積大、銅鐵消耗量大,工作溫度高及調整范圍小等缺點。為了提高效率,人們研制出了開關式穩壓電源,它的效率可達85%以上,穩壓范圍寬,除此之外,還具有穩壓精度高、不使用電源變壓器等特點,是一種較理想的穩壓電源。正因為如此,開關式穩壓電源已廣泛應用于各種電子設備中,本文對各類開關電源的工作原理作一闡述。開關式穩壓電源接控制方式分為調寬式和調頻式兩種,在實際的應用中,調寬式使用得較多,在目前開發和使用的開關電源集成電路中,絕大多數也為脈寬調制型。因此下面就主要介紹調寬式開關穩壓電源。

對于單極性矩形脈沖來說,其直流平均電壓Uo取決于矩形脈沖的寬度,脈沖越寬,其直流平均電壓值就越高,直流平均電壓為U。可由公式計算,即Uo=Um×T1/T,式中Um為矩形脈沖最大電壓值,T為矩形脈沖周期,T1為矩形脈沖寬度。從上式可以看出,當Um與T不變時,直流平均電壓Uo將與脈沖寬度T1成正比。這樣,只要我們設法使脈沖寬度隨穩壓電源輸出電壓的增高而變窄,就可以達到穩定電壓的目的。
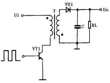
交流電壓經整流電路及濾波電路整流濾波后,變成含有一定脈動成份的直流電壓,該電壓進人高頻變換器被轉換成所需電壓值的方波,最后再將這個方波電壓經整流濾波變為所需要的直流電壓。控制電路為一脈沖寬度調制器,它主要由取樣器、比較器、振蕩器、脈寬調制及基準電壓等電路構成。這部分電路目前已集成化,制成了各種開關電源用集成電路。控制電路用來調整高頻開關元件的開關時間比例,以達到穩定輸出電壓的目的。單端反激式開關電源的典型電路如下圖所示。電路中所謂的單端是指高頻變換器的磁芯僅工作在磁滯回線的一側。所謂的反激,是指當開關管VT1導通時,高頻變壓器T初級繞組的感應電壓為上正下負,整流二極管VD1處于截止狀態,在初級繞組中儲存能量。當開關管VT1截止時,變壓器T初級繞組中存儲的能量,通過次級繞組及VD1整流和電容C濾波后向負載輸出。
單端反激式開關電源是一種成本最低的電源電路,輸出功率為20~100W,可以同時輸出不同的電壓,且有較好的電壓調整率。
唯一的缺點是輸出的紋波電壓較大,外特性差,適用于相對固定的負載。單端反激式開關電源使用的開關管VT1承受的最大反向電壓是電路工作電壓值的兩倍,工作頻率在20~200kHz之間。單端正激式開關電源的典型電路如下圖所示。這種電路在形式上與單端反激式電路相似,但工作情形不同。當開關管VT1導通時,VD2也導通,這時電網向負載傳送能量,濾波電感L儲存能量;當開關管VT1截止時,電感L通過續流二極管VD3繼續向負載釋放能量。
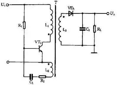
在電路中還設有鉗位線圈與二極管VD2,它可以將開關管VT1的最高電壓限制在兩倍電源電壓之間。為滿足磁芯復位條件,即磁通建立和復位時間應相等,所以電路中脈沖的占空比不能大于50%。由于這種電路在開關管VT1導通時,通過變壓器向負載傳送能量,所以輸出功率范圍大,可輸出50~200W的功率。電路使用的變壓器結構復雜,體積也較大,正因為這個原因,這種電路的實際應用較少。自激式開關穩壓電源的典型電路如下圖所示。這是一種利用間歇振蕩電路組成的開關電源,也是目前廣泛使用的基本電源之一。

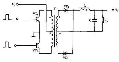
當接入電源后在R1給開關管VT1提供啟動電流,使VT1開始導通,其集電極電流Ic在L1中線性增長,在L2中感應出使VT1基極為正,發射極為負的正反饋電壓,使VT1很快飽和。與此同時,感應電壓給C1充電,隨著C1充電電壓的增高,VT1基極電位逐漸變低,致使VT1退出飽和區,Ic開始減小,在L2中感應出使VT1基極為負、發射極為正的電壓,使VT1迅速截止,這時二極管VD1導通,高頻變壓器T初級繞組中的儲能釋放給負載。在VT1截止時,L2中沒有感應電壓,直流供電輸人電壓又經R1給C1反向充電,逐漸提高VT1基極電位,使其重新導通,再次翻轉達到飽和狀態,電路就這樣重復振蕩下去。這里就像單端反激式開關電源那樣,由變壓器T的次級繞組向負載輸出所需要的電壓。自激式開關電源中的開關管起著開關及振蕩的雙重作從,也省去了控制電路。電路中由于負載位于變壓器的次級且工作在反激狀態,具有輸人和輸出相互隔離的優點。這種電路不僅適用于大功率電源,亦適用于小功率電源。推挽式開關電源的典型電路如下圖所示。它屬于雙端式變換電路,高頻變壓器的磁芯工作在磁滯回線的兩側。電路使用兩個開關管VT1和VT2,兩個開關管在外激勵方波信號的控制下交替的導通與截止,在變壓器T次級統組得到方波電壓,經整流濾波變為所需要的直流電壓。
這種電路的優點是兩個開關管容易驅動,主要缺點是開關管的耐壓要達到兩倍電路峰值電壓。電路的輸出功率較大,一般在100~500W范圍內。降壓式開關電源的典型電路如下圖所示。當開關管VT1導通時,二極管VD1截止,輸人的整流電壓經VT1和L向C充電,這一電流使電感L中的儲能增加。當開關管VT1截止時,電感L感應出左負右正的電壓,經負載RL和續流二極管VD1釋放電感L中存儲的能量,維持輸出直流電壓不變。電路輸出直流電壓的高低由加在VT1基極上的脈沖寬度確定。
這種電路使用元件少,它同下面介紹的另外兩種電路一樣,只需要利用電感、電容和二極管即可實現。
升壓式開關電源的穩壓電路如上圖所示。當開關管VT1導通時,電感L儲存能量。當開關管VT1截止時,電感L感應出左負右正的電壓,該電壓疊加在輸人電壓上,經二極管VD1向負載供電,使輸出電壓大于輸人電壓,形成升壓式開關電源。反轉式開關電源的典型電路如下圖所示。這種電路又稱為升降壓式開關電源。無論開關管VT1之前的脈動直流電壓高于或低于輸出端的穩定電壓,電路均能正常工作。
當開關管VT1導通時,電感L儲存能量,二極管VD1截止,負載RL靠電容C上次的充電電荷供電。當開關管VT1截止時,電感L中的電流繼續流通,并感應出上負下正的電壓,經二極管VD1向負載供電,同時給電容C充電。以上介紹了脈沖寬度調制式開關穩壓電源的基本工作原理和各種電路類型,在實際應用中,會有各種各樣的實際控制電路,但無論怎樣,也都是在這些基礎上發展出來的。